GRB8-01
Доступен для скачивания
краткий каталог продукции:
Сумеречный контактор (фотореле) GRB8-01 предназначено для автоматического управления освещением в зависимости от уровня внешней освещенности. Может применяться для управления уличным освещением, освещением мест общего пользования, индивидуальных рабочих мест, рекламы, витрин и т. п. Также может применяться в качестве комплектующего изделия в устройствах промышленной автоматики.
Особенности:
- Светодиодные индикаторы питания и состояния выходного реле
- Возможность подключения внешнего устройства для управления реле
Принцип действия:
После подачи питания на прибор должен загореться светодиодный индикатор питания. Индикатор горит на протяжение всего времени работы реле.
В режиме работы ON контакт реле L-4 замкнут, в режиме работы OFF – разомкнут.
В режиме работы AUTO прибор измеряет уровень освещенности с помощью внешнего датчика освещенности. При уровне внешней освещенности выше, чем установленный, контакт реле L-4 разомкнут.
Как только уровень внешней освещенности опустится ниже установленного, начнется отсчет времени задержки срабатывания (2 минуты), а индикатор состояния реле будет мигать. По истечении времени задержки срабатывания контакт реле L-4 замкнется и загорится индикатор состояния реле.
При замыкании контакта реле N-3 с помощью внешнего устройства, происходит размыкание контакта реле L-4 и гаснет индикатор состояния реле.
Как только уровень внешней освещенности превысит значение установленного в 1,2 раза, начнется отсчет времени задержки срабатывания (2 минуты), а индикатор состояния реле будет мигать. По истечении времени задержки срабатывания контакт реле L-4 разомкнется и погаснет индикатор состояния реле.
В режиме работы ON контакт реле L-4 замкнут, в режиме работы OFF – разомкнут.
В режиме работы AUTO прибор измеряет уровень освещенности с помощью внешнего датчика освещенности. При уровне внешней освещенности выше, чем установленный, контакт реле L-4 разомкнут.
Как только уровень внешней освещенности опустится ниже установленного, начнется отсчет времени задержки срабатывания (2 минуты), а индикатор состояния реле будет мигать. По истечении времени задержки срабатывания контакт реле L-4 замкнется и загорится индикатор состояния реле.
При замыкании контакта реле N-3 с помощью внешнего устройства, происходит размыкание контакта реле L-4 и гаснет индикатор состояния реле.
Как только уровень внешней освещенности превысит значение установленного в 1,2 раза, начнется отсчет времени задержки срабатывания (2 минуты), а индикатор состояния реле будет мигать. По истечении времени задержки срабатывания контакт реле L-4 разомкнется и погаснет индикатор состояния реле.
| Диаграмма работы реле |
![]() |
Технические характеристики:
| Параметр | Значение |
| Настраиваемый уровень освещенности | 1...100 |
| Гистерезис (зона возврата) | 20% |
| Задержка срабатывания реле | 2 мин |
| Тип выходного контакта | НО |
| Коммутационная способность реле | ~16 А, 250 В |
| Механическая износостойкость | ≥ 1×107 циклов |
| Электрическая износостойкость | ≥ 1×105 циклов |
| Температура эксплуатации | −20...+55°С |
| Температура хранения | −35...+75°С |
| Питание | ~110...240 В, 50...60 Гц |
| Степень защиты | IP40 (лицевая панель),
IP20 (клеммы) |
| Монтаж | На DIN-рейку, стандарт 1S |
| Габаритные размеры | 90×18×64 мм |
| Вес | 62 |
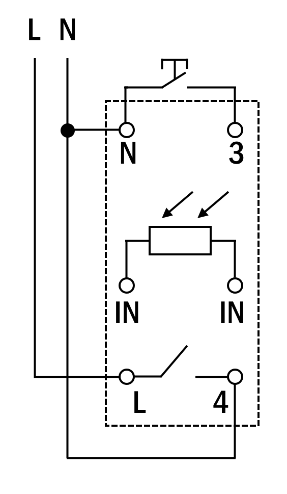
| Схема подключения |
![]() |
| Габаритные размеры |
![]() |
Версия: 2025-08-25-КВА



