ARG1-22R
Доступен для скачивания
краткий каталог продукции:
Переключатель ARG1-22R предназначен для коммутации электрических цепей
Особенности:
- Монтаж в плоские панели толщиной до 6 мм, фиксация стопорной гайкой
- Компактный моноблочный корпус, обеспечивающий простоту монтажа
Технические характеристики:
| Параметр | Значение |
| Количество положений
| 2 или 3
|
| Контакты | 1НО+1НЗ, 2НО |
| Исполнение | С фиксацией |
| Коммутационная способность | ~5 А, 300 В |
| Присоединение | Винтовые клеммы |
| Материал корпуса | Пластмасса |
| Монтаж | В отверстие панели |
| Диаметр монтажного отверстия | 22 мм |
| Толщина панели | ≤6 мм |
| Степень пылевлагозащиты* | IP44 |
| Габаритные размеры выступающей части
| ∅29×30 мм
|
| Максимальные габаритные размеры
| ∅29×71 мм
|
| Монтажная глубина** | 41 мм |
| Вес | 23 г |
* Со стороны лицевой панели.
** Без учета ответных разъемов.
** Без учета ответных разъемов.
Модификации:
| Модификация
| Количество
положений | Исполнение
| Контакты
| Цвет
|
| ARG1-22R2P-L110-W-K
| 2
| с фиксацией
| 1НО+1НЗ | K: черный
|
| ARG1-22R3P-L200-W-K
| 3
| 2НО |
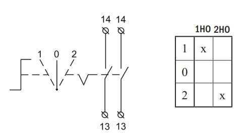
| Схема работы и подключения
|
2 положения, с фиксацией |
3 положения, с фиксацией |
| Габаритные размеры |
![]() |
| Схема установки
|
![]() |
Версия: 2024-10-15-КВА


