ARG1-16K
Доступен для скачивания
краткий каталог продукции:
Переключатель с ключом ARG1-16К предназначен для коммутации электрических цепей. Подходит для управления особо важным оборудованием или оборудованием, к управлению которым допущен ограниченный круг лиц с определенным правом доступаОсобенности:
- Монтаж в плоские панели толщиной до 6 мм, фиксация стопорной гайкой
- Компактный моноблочный корпус, обеспечивающий простоту монтажа
- Два ключа в комплекте
- Выемка ключа во всех положениях переключателя
- Для быстрого и удобного подключения без пайки рекомендуется использовать коннектор ПИН-16П-8/8 (не входит в комплект, необходимо заказывать отдельно)

Технические характеристики:
| Параметр | Значение |
| Количество положений
| 2 или 3 |
| Контакты | 2 переключающих |
| Исполнение
| С фиксацией |
| Коммутационная способность | =5 A, 30В; ~3 А, 250 В |
| Присоединение
| Пайка или плоские изолированные разъемы НПИ-М2-0528
|
| Материал корпуса | Пластмасса |
| Монтаж | В отверстие панели |
| Диаметр монтажного отверстия | 16 мм |
| Толщина панели | ≤ 6 мм |
| Сечение присоединяемых проводов | ≤ 2,5 мм² |
| Степень пылевлагозащиты* | IP42 |
| Габаритные размеры выступающей части | ∅18×8 мм |
| Максимальные габаритные размеры | 18×18×39 мм |
| Монтажная глубина** | 30 мм |
| Вес (без ключа) | 8 г |
* Со стороны лицевой панели.
** Без учета ответных разъемов.
Модификации:
** Без учета ответных разъемов.
| Модификация | Количество положений | Исполнение | Контакты
|
| ARG1-16K2P-L002-U-K
| 2 | с фиксацией | 2 переключающих
|
| ARG1-16K3P-L002-U-K | 3 |
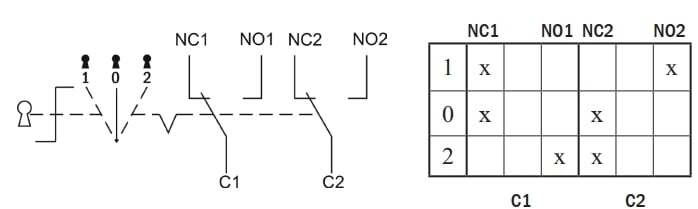
| Схема работы и подключения
|
2 положения, с фиксацией |
3 положения, с фиксацией |
| Схема расположения контактов
|
![]() |
| Габаритные размеры |
![]() |
| Схема установки
|
![]() |
Версия: 2026-03-03-СДГ



