ЛС-П80, ЛС-П80С
Доступен для скачивания
краткий каталог продукции:
Лампы светодиодные сигнальные полицветные на креплении шпильками ЛС-П80, ЛС-П80С предназначены для визуальной или визуально-звуковой индикации статуса контролируемого процесса
Особенности:
- Плафон не имеет собственного цвета (прозрачный), поэтому изменение цвета башни при подаче питания более заметно и эффективно, чем при включении ламп с цветным плафоном
- Крепление на шпильки
- Крепление плафона: резьба
- Режим работы: постоянное свечение
- Области применения: промышленная сигнализация, авиация (аэродромные и заградительные огни), охранная сигнализация
Технические характеристики:
| Параметр | Значение | ||
| Цвет
| Три основных: красный, зеленый, желтый
Один дополнительный: оранжевый | ||
| Диаметр лампы
| 78 мм
| ||
| Питание
| ~220 В
| ≅24 В
| ≅12 В
|
| Мощность
| 14 ВА
| 1 Вт
| |
| Сирена | 60 дБ (только для ЛС-П80С) | ||
| Крепление
| Шпильки
| ||
| Крепление плафона
| Резьба
| ||
| Степень пылевлагозащиты | IP54 со стороны плафона (при условии расположения плафона вертикально)
| ||
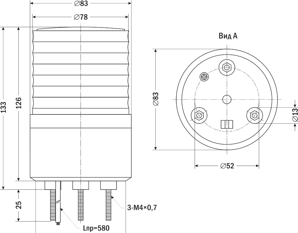
| Габаритные размеры | ∅83×133 мм
| ||
| Вес
| 189 г | ||
| Габаритные размеры |
|
Версия: 2024-09-25-КВА
| Документ | Дата обновления |
| Паспорт на ЛС-П80 | 05.02.2025 |
