AR504SR-2
Доступен для скачивания
краткий каталог продукции:
Краны шаровые неполнопроходные с электроприводами AR504SR-2 предназначены для управления потоком рабочей среды в трубопроводе
Особенности:
Версия: 2024-04-22-ШАР
Особенности:
- Универсальное основание позволяет легко заменить привод на любой другой из серии AR5xx: AR500, AR501, AR524SR, AR500E, AR510, AR520, AR560, AR564SR, AR570. Сравнительная таблица приводов серии AR5xx
- Схема управления с выключателем. Для автоматического управления в качестве выключателя К можно использовать любой прибор, который обеспечивает замыкание/размыкание, например терморегуляторы, термостаты и цифровые 1-2-канальные регуляторы. Для ручного управления в качестве выключателя К можно использовать кнопки с фиксацией AR-XB2-BT, AR-XB2-BS, SD16-22ATA, антивандальные кнопки с фиксацией или переключатели на 2 положения SD16-V-22IR, SD16-V-22K, AR-XB2-BD, AR-XB2-BJ, AR-LA800E-BLSM, AR-XB2-BG
- Защита трубопровода от гидравлических ударов благодаря специальной конструкции крана
- Автоматическое отключение при достижении конечного положения
- Удобство в эксплуатации и обслуживании
Для защиты прибора от попадания инородных частиц необходима установка фильтра механической очистки перед входным отверстием крана
Для герметизации резьбовых/фланцевых металлических соединений рекомендуется использование анаэробных герметиков
Для герметизации резьбовых/фланцевых металлических соединений рекомендуется использование анаэробных герметиков
Технические характеристики:
| Параметр | Значение | ||
| Тип | Шаровой неполнопроходной | ||
| Рабочая среда | Вода, горячая вода, воздух, инертные газы, спирт | ||
| Материалы | Корпус: латунь
Уплотнения: PTFE | ||
| Температура рабочей среды | +2...+90°С | ||
| Рабочее давление | 0,0...1,6 MПa | ||
| Диаметр условного прохода | 15...50 мм | ||
| Присоединение | Резьбовое G½"...G2" | ||
| Присоединение привода к крану | М24×1,5 | ||
| Угол полного поворота | 90° (вращение в обоих направлениях) | ||
| Схема подключения | 2-проводная с выключением одного контакта | ||
| Модель электропривода | AR504SR | ||
| Время полного поворота | 8 с | ||
| Крутящий момент | 5 Н∙м | ||
| Питание | ~220 В | =12...24 В | |
| =12 В | =24 В | ||
| Ток, мощность | 30 мА, 2 ВA | 150 мА, 2 Вт | 60 мА, 2 Вт |
| Пусковой ток зарядки конденсатора | 120 мА | 1А | |
| Ток покоя | - | 10 мА | 6 мА |
| Степень пылевлагозащиты привода | IP54 | ||
| Длина кабеля | 300 мм | ||
Модификации:
| Обозначение | Ду,
мм | Дэф, мм | Kv,
м³/ч | Присоединение | Pmin, МПа | Pmax, МПа | Модель
привода | Вес крана
с приводом, г |
| AR504SR-2-15/12 GBP | 15 | 12 | 11 | внутр. ½" | 0,0 | 1,6 | AR504SR | 479 |
| AR504SR-2-20/17 GBP | 20 | 17 | 20 | внутр. ¾" | 539 | |||
| AR504SR-2-25/19 GBP | 25 | 19 | 60 | внутр. 1" | 639 | |||
| AR504SR-2-32/25 GBP | 32 | 25 | 80 | внутр. 1¼" | 829 | |||
| AR504SR-2-40/30 GBP | 40 | 30 | 80 | внутр. 1½" | 969 | |||
| AR504SR-2-50/37 GBP | 50 | 37 | 93 | внутр. 2" | 1319 |
Расшифровка обозначения на примере крана AR504SR-2-15/12 XYZ:
AR504SR – модель привода.
2 – двухходовой кран
15 – условный диаметр прохода в мм.
12 – эффективный диаметр в мм, если Дэф < Ду.
X – присоединение: G – трубная резьба.
Y – материал корпуса: B – латунь.
Z – материал уплотнения: P – PTFE.
AR504SR – модель привода.
2 – двухходовой кран
15 – условный диаметр прохода в мм.
12 – эффективный диаметр в мм, если Дэф < Ду.
X – присоединение: G – трубная резьба.
Y – материал корпуса: B – латунь.
Z – материал уплотнения: P – PTFE.
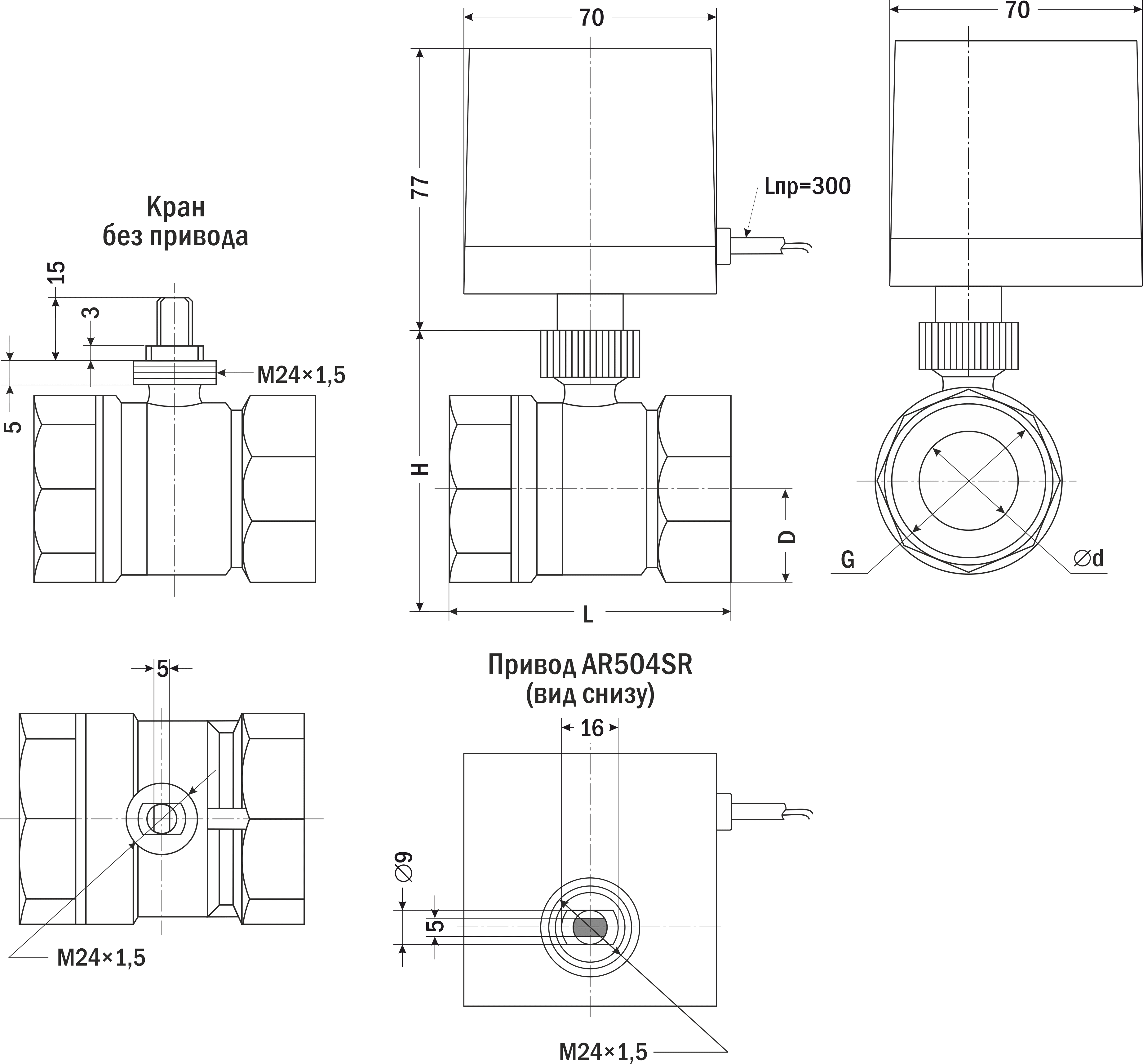
| Габаритные размеры |
|
| Размер, мм | AR504SR-2 | |||||
| -15/12 | -20/17 | -25/19 | -32/25 | -40/30 | -50/37 | |
| ∅d (Дэф) | 12 | 17 | 19 | 25 | 30 | 37 |
| D | 14 | 17 | 20 | 25 | 28 | 35 |
| H | 49 | 54 | 60 | 73 | 76 | 89 |
| L | 50 | 58 | 67 | 77 | 82 | 96 |
| G | 1/2" | ¾" | 1" | 1¼" | 1½" | 2" |
| Документ | Дата обновления |
| Паспорт на AR504SR-2 | 16.04.2025 |
