ARM-V110.T4.PT100
Доступен для скачивания
краткий каталог продукции:
Модуль ввода аналоговых сигналов ARM-V110.T4.PT100 предназначен для измерения аналоговых сигналов встроенными аналоговыми входами, преобразования измеренных величин в значение физической величины и последующей передачи этого значения по сети RS-485. Приборы могут быть использованы для построения автоматизированных систем сбора данных в различных областях промышленности, сельского и коммунального хозяйства, на транспорте.
Особенности:
- Поддерживает подключение двухпроводных или трехпроводных датчиков
- Настраиваемые адрес и скорость передачи данных
- Сохранение настроек при отключении питания
- Защита от короткого замыкания, перенапряжения, перегрузки по току и обратной полярности подключения питания
- Групповая изоляция выходных каналов от шины RS-485
- Широкий диапазон питания =6...36 В
- Светодиодный индикатор питания
Технические характеристики:
| Параметр | Значение |
| Количество входов
| 4
|
| Тип аналоговых входных сигналов
| Pt100
|
| Схема подключения датчиков | Двухпроводная или трехпроводная |
| Диапазон измерения температуры | −200...+850°С |
| Погрешность преобразования
| ±0,3°C |
| Дискретность | 0,1°C |
| Частота измерения | 10 кГц |
| Питание | =6...36 В |
| Потребляемая мощность | < 300 мВт
|
| Интерфейс
| RS-485 Modbus RTU
|
| Скорость передачи данных
| 4800...115 200
|
| Условия эксплуатации | −40...+85°С, ≤ 95%RH |
| Монтаж
| На DIN-рейку
|
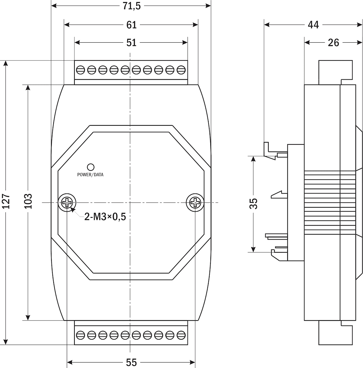
| Габаритные размеры | 127×71,5×44 мм |
| Вес | 121 г |
| Габаритные размеры |
![]() |
Версия: 2023-11-29-КВА
| Документ | Дата обновления |
| Паспорт на ARM-V110.T4 | 09.04.2024 |

