ARM-E110.3P
Доступен для скачивания
краткий каталог продукции:
Модуль ввода параметров электрической сети ARM-E110.3P предназначен для измерения параметров трехфазной электрической сети и последующей передачи этого значения по сети RS-485. Приборы могут быть использованы для построения автоматизированных систем сбора данных в различных областях промышленности, сельского и коммунального хозяйства, на транспорте
Внимание! Обязательное подключение через внешние трансформаторы! Для работы подходят трансформаторы 1:1000, например, AR-CT10
Особенности:
- Настраиваемые адрес и скорость передачи данных
- Сохранение настроек при отключении питания
- Защита от короткого замыкания, перенапряжения, перегрузки по току и обратной полярности подключения питания
- Групповая изоляция выходных каналов от шины RS-485
- Широкий диапазон питания =6...36 В
- Светодиодный индикатор питания
| Параметр | Значение |
| Количество входов
| 1
|
| Диапазон измерения напряжения
| ~0...500
|
| Диапазон измерения силы тока | ~0...10 А (обязательное подключение через внешние трансформаторы 1:1000) |
| Погрешность | ±1 |
| Потребляемая мощность
| < 500 мВт
|
| Питание | =6...36 В |
| Интерфейс
| RS-485 Modbus RTU
|
| Скорость передачи данных
| 4800...115 200
|
| Условия эксплуатации | −40...+85°С, ≤ 95%RH |
| Монтаж
| На DIN-рейку |
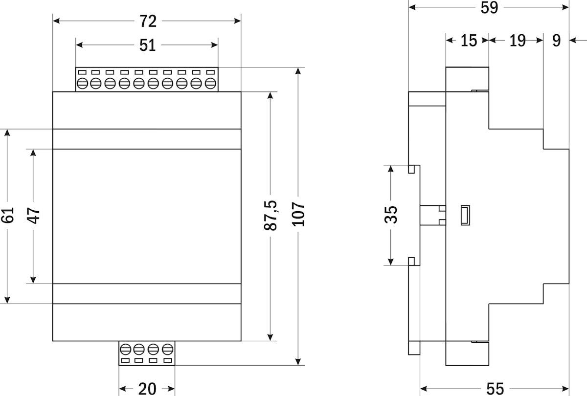
| Габаритные размеры | 107×72×59 |
| Вес | 136 г |
| Габаритные размеры |
![]() |
Версия: 2024-01-31-КВА
| Документ | Дата обновления |
| Паспорт на ARM-E110.3P | 01.02.2024 |

