ДР-ПП-10-15
Доступен для скачивания
краткий каталог продукции:
Датчик-реле потока (реле протока) лепестковый ДР-ПП-10-15 предназначен для контроля наличия потока воды в трубопроводе, управления исполнительными устройствами, защиты оборудования от слабого или отсутствующего потока
Особенности:Корректное монтажное положение датчика-реле указано на рис. 1

Рис.1 – Монтажное положение датчика-реле
Для увеличения коммутационной способности датчика-реле следует использовать промежуточные реле, например, MY, 55-02, 55-04, LY4 c управляющим напряжением =24 В и током потребления не более 300 мА. Также возможно использовать промежуточные реле с управляющим напряжением ~24 В. Для питания катушки промежуточного реле необходимы блоки питания, например, DR, MDR, БП97, БП67.

Для защиты прибора от попадания инородных частиц рекомендуется установить фильтр механической очистки перед датчиком-реле. Для герметизации резьбовых металлических соединений рекомендуется использовать анаэробные герметики.
Технические характеристики:
| Параметр | Значение
|
| Рабочая среда | Вода, этиленгликоль и другие неагрессивные жидкости |
| Максимальное давление рабочей среды | 1,5 МПа |
| Температура рабочей среды | −10...+110°С |
| Расход
| 3,5...30 л/мин
|
| Максимальная коммутируемая мощность | 70 Вт
|
| Максимальный коммутируемый ток | ≅0,5 А
|
| Максимальное коммутируемое напряжение | ≅220 В |
| Присоединение | G½" |
| Длина провода
| 310 мм
|
| Материал | Латунь
|
| Cтепень пылевлагозащиты
| IP65 |
| Монтажное положение | Горизонтальное |
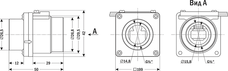
| Габаритные размеры | 50×29,5×42 мм
|
| Вес | 190 г |
| Габаритные размеры
|
![]() |
Версия: 2023-03-31-ЛВС
| Документ | Дата обновления |
| Паспорт на ДР-ПП-10-15 | 19.03.2024 |

