ДР-ПП-05
Доступен для скачивания
краткий каталог продукции:
Датчик-реле потока (реле протока) лепестковый ДР-ПП-05 предназначен для контроля наличия потока воды в трубопроводе, управления исполнительными устройствами, защиты оборудования от слабого или отсутствующего потока
Особенности:
- НО-контакт. При наличии потока контакт геркона замыкается
- Высокий ресурс срабатываний
Для увеличения коммутационной способности датчика-реле следует использовать промежуточные реле, например, MY, 55-02, 55-04, LY4 c управляющим напряжением =24 В и током потребления не более 300 мА. Также возможно использовать промежуточные реле с управляющим напряжением ~24 В. Для питания катушки промежуточного реле необходимы блоки питания, например, DR, MDR, БП97, БП67.

Для защиты прибора от попадания инородных частиц рекомендуется установить фильтр механической очистки перед датчиком-реле. Для герметизации резьбовых металлических соединений рекомендуется использовать анаэробные герметики.
| Параметр
| Значение
| |||||
| ДР-ПП-05-15
| ДР-ПП-05-20 | ДР-ПП-05-25 | ДР-ПП-05-32 | ДР-ПП-05-40 | ДР-ПП-05-50 | |
| Рабочая среда
| Вода, этиленгликоль и другие неагрессивные жидкости
| |||||
| Максимальное давление рабочей среды
| 1,5 МПа
| |||||
| Температура рабочей среды
| −40...+120°С
| |||||
| Минимальный расход
| 3 л/мин
| 3,5 л/мин | 3,5 л/мин | 4 л/мин | 4 л/мин | 5 л/мин |
| Максимальный расход
| 15 л/мин
| 20 л/мин | 50 л/мин | 80 л/мин | 120 л/мин | 200 л/мин |
| Коммутируемая мощность
| 70 Вт
| |||||
| Максимальный коммутируемый ток
| =0,3 А (при =24 В)
| |||||
| Максимальное коммутируемое напряжение
| =220 В, ~250 В
| |||||
| Длина провода
| 455 мм
| |||||
| Степень пылевлагозащиты
| IP67 | |||||
| Материал
| Латунь
| |||||
| Присоединение
| внутр.
G½" | внутр.
G¾" | внутр.
G1" | внутр.
G1¼" | внутр.
G1½" | внутр.
G2" |
| Монтажное положение
| Горизонтальное
| |||||
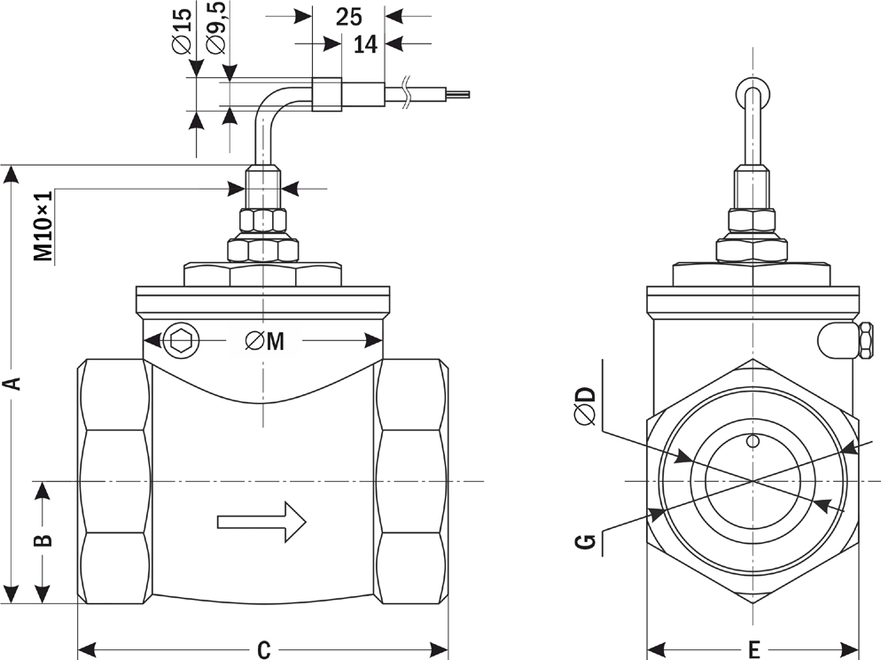
| Габаритные размеры | 78×49×27 мм
| 83×56×32 мм
| 92×68×40 мм | 98×71×47 мм | 105×80×54 мм | 120×96×67 мм |
| Вес | 223 г | 280 г | 437 г | 530 г | 706 г | 1133 г |
| Габаритные размеры |
![]() |
| Размер, мм
| Значение
| |||||
| -15
| -20 | -25 | -32 | -40 | -50 | |
| A
| 78
| 83 | 92 | 98 | 105 | 120 |
| B
| 15
| 18 | 20 | 26,7 | 30,5 | 38 |
| C
| 49
| 56 | 68 | 71
| 80
| 96 |
| ∅D | 12
| 18
| 24 | 28 | 32 | 40 |
| E | 27 | 32 | 40 | 47 | 54 | 67 |
| ∅M | 29 | 34 | 43 | 46 | 50,5 | 65 |
| G | ½"
| ¾" | 1" | 1¼" | 1½" | 2" |
| Документ | Дата обновления |
| Паспорт на ДР-ПП-05 | 06.08.2025 |

