ARCOM-DH48S-S
Доступен для скачивания
краткий каталог продукции:
Реле времени (таймер) ARCOM-DH48S-S предназначено для циклического включения/отключения электротехнического оборудования через заданный промежуток времени
Особенности:
Версия: 2023-12-29-ЛВС
Особенности:
- Для циклического включения/отключения электротехнического оборудования через заданный промежуток времени
- Внешний стоп и сброс
| Параметр
| Значение
| |
| Диапазон задаваемых выдержек времени
| 0,01 с…990 ч
| |
| Относительная погрешность
| ±1 e. м. p.
| |
| Индикатор | Светодиодный, 2×2 разряда | |
| Режим счета
| Прямой
| |
| Режим работы
| Однократный или циклический
| |
| Количество выходов
| 1
| |
| Выход | Базовое исполнение: реле ~5 А, 220 В
Опционально возможные исполнения: SSR – управление твердотельным реле =6...24 В, 30 мА (ARС-SSR-...DA и ARС-3SSR-...DA) | |
| Потребляемая мощность | 3 ВА
| |
| Питание
| ~220 В, 50 Гц или =24 В
| |
| Условия эксплуатации
| +5...+50°С, 35...85%RH
| |
| Монтаж | Щитовое, на DIN-рейку, настенное | |
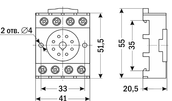
| Габаритные размеры
- прибор - колодка |
48×59×87 мм 51,5×41×20,5 мм | |
| Вес
| 161 г
| |
| Габаритные размеры
|
![]() |
Колодка |
Версия: 2023-12-29-ЛВС
| Документ | Дата обновления |
| Паспорт на Arcom-DH48S-S | 28.10.2025 |

