ARG2-12FB
Доступен для скачивания
краткий каталог продукции:
Индикаторная светодиодная лампа ARG2-12FB предназначена для индикации (сигнализации) состояния электрических цепей и рабочего состояния электрического оборудования.
Прежнее название: AR-AD22C-12D/L
Технические характеристики:
| Параметр
| Значение
|
| Цвет
| Красный или зеленый
|
| Диаметр лампы
| 16 мм
|
| Диаметр монтажного отверстия | 12 мм
|
| Питание
| ≅220 В
|
| Материал | Хромированная латунь |
| Степень пылевлагозащиты* | IP55 |
| Присоединение
| Провода
|
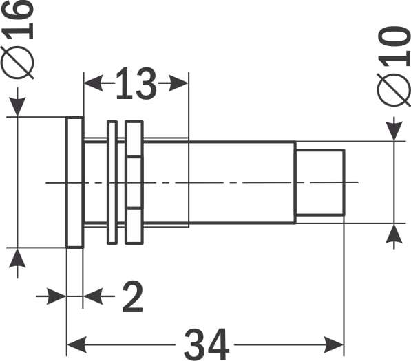
| Габаритные размеры
| ∅ 16×34 мм
|
| Габаритные размеры |
![]() |
Версия: 2014-10-20-КВА

